BLAZEFRAME (DL 2) deep leg
Profile with two solid legs with firestop on both sides. Composite Firestop Deflection Track System for use in fire-rated wall assemblies. Two solid legs supporting “free floating” studs.
Composite Firestop/Framing for use in fire-resistant joint systems in or between fire-resistance-rated walls and floor/ceiling or roof/ceiling assemblies. Many assemblies can also be used in smoke barriers with tested air leakage (L ratings) well below the code defined maximum of 5 cfm per linear foot.
When used in conjunction with BlazeFrame Perimeter L-Bead, DL 2 is UL 2079-fifth edition compliant. Provides joint protection for up to 1" with UL 2079 Class II or III Movement Capabilities. Two solid legs supporting "free floating" studs per listed assemblies in UL Fire Resistance Directory. A 2mm thickness of cured intumescent material adhered to metal profiles provides air and smoke seals. When exposed to heat above 375 degrees Fahrenheit, the intumescent material expands up to 35 times its size. This provides protection from heat and flame passage during a fire event..
- UL Classified and Listed Joint Systems
- Intumescent strip provides air & smoke seals
- Patents: www.cd-patents.com
Product Data & Ordering Information:
Material: Yield Strength: Grade 33ksi for 30mils, 33mils & 43mils - 50ksi for 54mils
Coating: G40 EQ for 30mils, All others = CP60 (CP90 available)
30mils: 20ga DW, 0.0312" Design Thickness, 0.0296" Min. Thickness
33mils: 20ga STR, 0.0346" Design Thickness, 0.0329" Min. Thickness
43mils: 18ga, 0.0451" Design Thickness, 0.0428" Min. Thickness
54mils: 16ga, 0.0566" Design Thickness, 0.0538" Min. Thickness
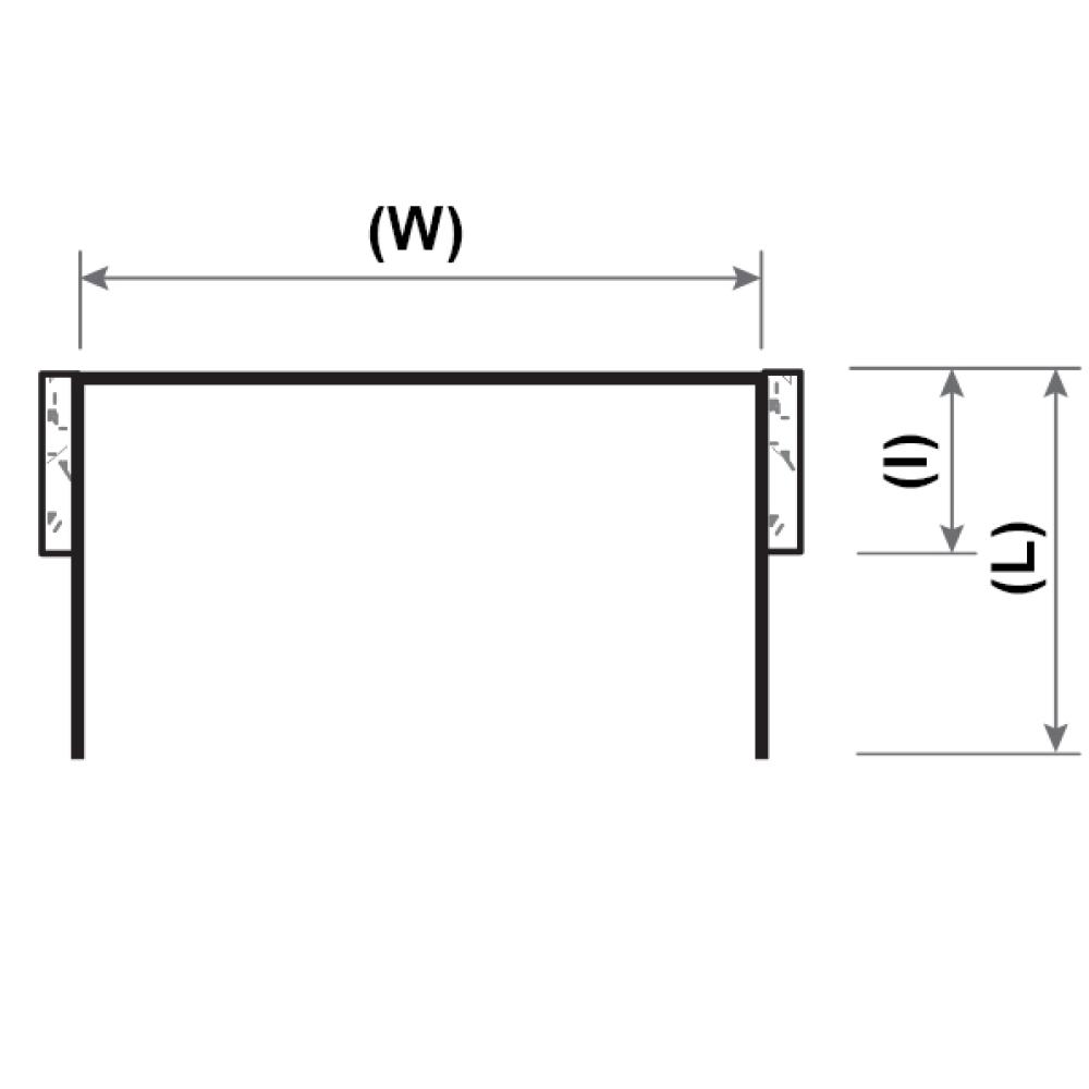
| Profile | Leg Length (L) | Tape Width (I) | Joint Protection |
|---|---|---|---|
| DLE 2 | 2.00" | 0.75" | 0.50" |
| DL 2 | 2.00" | 1.00" | 0.75" |
| DLW 2 | 2.00" | 1.25" | 1.00" |
(30mil is only available with DL-E 2 and DL 2 profiles)
Inside depth: Equal to the outside width of the stud
Web sizes (W): 2-1/2", 3-5/8", 4", 6", 8"
Track length: 10'-0"
UL Information
Product Information
-
Need help with making the best product selections for your Fire-Rated Project?
-
Submit info to our Technical Services Representatives to help answer your questions.
Code Approvals & Performance Standards
- AISI S220-15 North American Standard for CFS Framing - Nonstructural Members
- (Compliant to ASTM C645 , but IBC replaced with AISI S220 in IBC 2015)
- Section A4 Material - Chemical & mechanical requirements (Referencing ASTM A1003/A1003M)
- Section A5 Corrosion Protection (Referencing ASTM A653/A653M)
- AISI S240-15 North American Standard for Cold-Formed Steel Structural Framing
- (Compliant to ASTM C955 , but IBC replaced with AISI S200 in IBC 2015, AISI S240 in IBC 2018)
- Section A3 Material - Chemical & mechanical requirements (Referencing ASTM A1003/A1003M)
- Section A4 Corrosion Protection (Referencing ASTM A653/A653M)
- UL Designs 2079 Fifth Edition Tests for Fire Resistance of Building Joint Systems
- (When used in conjunction with BlazeFrame Perimeter L-Bead)
- IBC requires fire-resistant joint systems be tested in accordance w/the requirements of either ASTM E1966 or UL 2079.
- UL File Number R26034-XHHW Full list of BlazeFrame UL design assemblies
- SDS For ASTM A1003 Steel Framing Products For Interior Framing, Exterior Framing and Clips/Accessories
- SDS BlazeFrame Tape - Rectorseal Intumescent Fire-Stop System
- SDS BlazeFrame Tape - INCA Intumescent Fire-Stop System
-
Need help with making the best product selections for your Fire-Rated Project?
-
Submit info to our Technical Services Representatives to help answer your questions.
PRoduct submittal SHeets
Click the below Product Code to view Submittal/Tech Datasheet.
| Product Code | Description |
|---|---|
| DL 2 | BlazeFrame® (DL 2) Systems |
ClarkDietrich SubmittalPro®
Submittal sheets for the exact product you're looking for can be created by using ClarkDietrich's SubmittalPro® Product Submittal System.
- Contact ClarkDietrich Technical Services at 888-437-3244 for any questions about creating product submittals or using SubmittalPro.